Home
>>>
Products
>>>
Pneumatic Cylinder
>>>
TN Series Double-shaft Cylinder
XG Series Spacer Sleeve Solenoid Valve
XG Series Mechanical Control Valve
XG Series Solenoid Valve
4V Series Solenoid Valve
Machanical Valve
Air Filter Combination
Pneumatic Cylinder
Two-position Two-way Solenoid Valve
Manufacturing metallic gaskcts,non-mctallic gaskcts and vari
2002.8:
Founded Fenghua Xinguang Machinery Factory Rent 500 sqm.
Start to produce solenoid valves,but with very simply machine,quality is poor.
2003:
First...
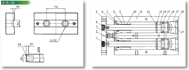
Bore/Symbol
PA
PB
PC
PD
PE
PF
PG
PH
10
18
0.5
Ф6.2deep 3.5mm hrough Hole:Ф3.3
5.2
6
2.2
5.2
M3x0.5deep5.5
16
24
1
Ф7.8 deep 4.6mm hrough Hole:Ф4.3
6.2
8
3
6.2
M4x0.7deep9
20
28
1
Ф11deep 6.8mm hrough Hole:Ф6.5
8.2
10
3
8.2
M6x1deep10
25
34
1
Ф11deep 6.8mm hrough Hole:Ф6.5
10.2
12
3
10.2
M6x1deep10
32
42
2
Ф17deep 12mm hrough Hole:Ф10.5
14.2
16
3
14.2
M10x1.5deep13
Home
|
About Us
|
Products
|
News & Events
|
Download
|
Online Order
|
Contact Us
|
Resource
|
Sitemap
|
XML
|
RSS
Copyright © 2010-2019
Fenghua Xinguang Machinery Factory
All Rights Reserved
Search Engine Optimisation
and
Web Design
by
Microhoo.Us