Home
>>>
Products
>>>
Pneumatic Cylinder
>>>
Aluminum Alloy Mini Cylinder
XG Series Spacer Sleeve Solenoid Valve
XG Series Mechanical Control Valve
XG Series Solenoid Valve
4V Series Solenoid Valve
Machanical Valve
Air Filter Combination
Pneumatic Cylinder
Two-position Two-way Solenoid Valve
Manufacturing metallic gaskcts,non-mctallic gaskcts and vari
2002.8:
Founded Fenghua Xinguang Machinery Factory Rent 500 sqm.
Start to produce solenoid valves,but with very simply machine,quality is poor.
2003:
First...
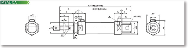
Symbol
A
A1
A2
B
C
D
D1
E
F
G
H
I
J
Bore / Stroke
0~50
51~100
0~50
51~100
0~50
51~100
0~50
51~100
20
131
156
122
147
110
135
40
70
95
21
12
28
12
16
20
12
6
25
135
160
128
153
114
139
44
70
95
21
14
30
14
16
22
17
6
32
141
166
128
153
114
139
44
70
95
27
14
30
14
16
22
17
6
40
165
190
152
177
138
163
46
92
117
27
14
32
14
22
24
17
7
Inside Diameter/Symbol
K
L
M
P
Q
R
R1
S
U
V
W
X
AR
AX
AY
20
M8 x 1.25
M22 x 1.5
10
8
16
19
12
12
29
8
6
G1/8
7
33
29
25
M10x 1.25
M22 x 1.5
12
8
16
19
14
12
34
10
8
G1/8
7
33
29
32
M10 x 1.25
M24 x 2.0
12
10
16
25
14
15
39.5
12
10
G1/8
8
37
32
40
M12 x 1.25
M30x 2.0
12
12
20
25
14
15
49.5
16
14
G1/4
9
47
41
Home
|
About Us
|
Products
|
News & Events
|
Download
|
Online Order
|
Contact Us
|
Resource
|
Sitemap
|
XML
|
RSS
Copyright © 2010-2019
Fenghua Xinguang Machinery Factory
All Rights Reserved
Search Engine Optimisation
and
Web Design
by
Microhoo.Us