Home
>>>
Products
>>>
Pneumatic Cylinder
>>>
Standard Cylinder
XG Series Spacer Sleeve Solenoid Valve
XG Series Mechanical Control Valve
XG Series Solenoid Valve
4V Series Solenoid Valve
Machanical Valve
Air Filter Combination
Pneumatic Cylinder
Two-position Two-way Solenoid Valve
Manufacturing metallic gaskcts,non-mctallic gaskcts and vari
2002.8:
Founded Fenghua Xinguang Machinery Factory Rent 500 sqm.
Start to produce solenoid valves,but with very simply machine,quality is poor.
2003:
First...
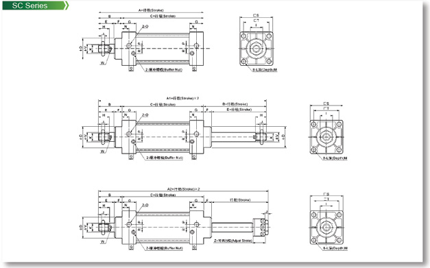
Inside Diameter/ Symbol
A
A1
A2
B
C
D
E
F
G
H
I
J
K
32
140
187
182
47
93
28
32
15
27.5
22
17
6
M10*1.25
40
142
191
185
48
93
32
34
15
27.5
24
17
7
M12*1.25
50
150
207
196
57
93
38
42
15
27.5
32
23
8
M16*1.5
63
153
210
199
57
96
38
42
15
27.5
32
23
8
M16*1.5
80
183
258
243
75
108
47
54
21
33
40
26
10
M20*1.5
100
189
264
249
75
114
47
54
21
33
40
26
10
M20*1.5
125
226
/
/
104
122
55
70
34
33
54
40
10
M27*2
160
291
/
/
123
168
62
91
32
50
72
55
18
M36*2
200
347
/
/
167
180
80
112
55
50
72
55
18
M36*2
Inside Diameter/ Symbol
L
M
N
O
P
Q
R
S
T
V
W
Z
32
M6 * 1
9.5
13.5
G1/8
3.5
7.5
7
45
33
12
12
21
40
M6 * 1
9.5
1.5
G1/4
6
8.2
9
50
37
16
14
21
50
M6 * 1
9.5
13.5
G1/4
8.5
8.2
9
62
47
20
17
23
63
M8 * 1.25
9.5
13.5
G3/8
7
8.2
8.5
75
56
20
17
23
80
M10 * 1.5
11.5
16.5
G3/8
10
9.5
14
94
70
25
22
29
100
M10 * 1.5
11.5
16.5
G1/2
11
9.5
14
112
84
25
22
29
125
M12 * 1.75
15.5
16.5
G1/2
/
/
/
140
110
32
27
/
160
M16 * 2
17.5
25
G1/2
/
/
/
180
140
40
36
/
200
M16 * 2
17.5
25
G3/4
/
/
/
220
175
40
36
/
Home
|
About Us
|
Products
|
News & Events
|
Download
|
Online Order
|
Contact Us
|
Resource
|
Sitemap
|
XML
|
RSS
Copyright © 2010-2019
Fenghua Xinguang Machinery Factory
All Rights Reserved
Search Engine Optimisation
and
Web Design
by
Microhoo.Us