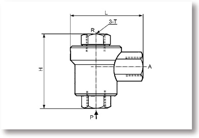
The valve is generally installed on the pipeline betwen th cylinder and reversal valve and near the cylinder, which directly discharge the air from cylinder without passing the revesal valve and thus to achieve the goal of fast revrsion of cylinder.The effect on improving cylinder speed is especially obvious. P: Connect reversal valve export A: Connect cylinder R: Connect muffler